RF148減速機詳細信息
RF148減速機
RF148減速機傳動比計算:齒輪減速馬達
傳送帶參數:齒輪直徑360,傳送38噸,傳送一分鐘14米
14米÷(0.36齒輪直徑X3.14)=12.38轉每分鐘
38噸換算成N=380000N
380000×0.18齒輪半徑×0.06摩擦系數=4104N.m
通常確保萬無一失,我們會把輸出扭矩放大兩倍4104×2=8208N.m
電機轉數1400÷輸出轉數12.38=113.08比
8208N.m輸出扭矩÷113.08比=72.59N.m電機扭矩
72.59N.m電機扭矩換算成功率11.52KW左右
對應的RF148減速機選型參數:
型號:RF148-BEJ15KW
減速比:119.86
輸出轉數:12轉每分鐘
輸出扭矩:11700N.m
安全系數:1.1
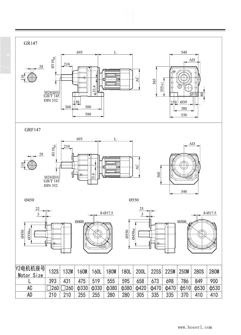
RF148減速機平面圖紙:輸出軸Φ20+鍵2.5(可定做),高134*寬135*長174(帶輸出軸)RF系列減速機

RF148立式硬齒面斜齒輪減速機型號:

RF147系列減速機參數大全:同軸斜齒輪減速電機
RF147減速機配11KW電機參數
| 型號 | 功率 | 轉數 | 扭矩 | 安全系數 |
| RF147-Y11KW | 11kw | 8.9rpm | 11700N.m | 1.1 |
| RF147-Y11KW | 11kw | 9.9rpm | 10500N.m | 1.25 |
| RF147-Y11KW | 11kw | 12rpm | 8620N.m | 1.5 |
| RF147-Y11KW | 11kw | 13rpm | 7860N.m | 1.65 |
| RF147-Y11KW | 11kw | 15rpm | 6800N.m | 1.9 |
| RF147-Y11KW | 11kw | 17rpm | 6000N.m | 2.2 |
| RF147-Y11KW | 11kw | 20rpm | 5180N.m | 2.5 |
| RF147-Y11KW | 11kw | 22rpm | 4810N.m | 2.7 |
| RF147-Y11KW | 11kw | 24rpm | 4390N.m | 3 |
| RF147-Y11KW | 11kw | 28rpm | 3800N.m | 3.4 |
RF147減速機配15KW電機參數
| 型號 | 功率 | 轉數 | 扭矩 | 安全系數 |
| RF147-Y15KW | 15kw | 8.9rpm | 16000N.m | 0.8 |
| RF147-Y15KW | 15kw | 9.9rpm | 14400N.m | 0.9 |
| RF147-Y15KW | 15kw | 12rpm | 11800N.m | 1.1 |
| RF147-Y15KW | 15kw | 13rpm | 10700N.m | 1.2 |
| RF147-Y15KW | 15kw | 15rpm | 9280N.m | 1.4 |
| RF147-Y15KW | 15kw | 17rpm | 8190N.m | 1.6 |
| RF147-Y15KW | 15kw | 20rpm | 7070N.m | 1.85 |
| RF147-Y15KW | 15kw | 22rpm | 6570N.m | 2 |
| RF147-Y15KW | 15kw | 24rpm | 5990N.m | 2.2 |
| RF147-Y15KW | 15kw | 28rpm | 5190N.m | 2.5 |
| RF147-Y15KW | 15kw | 31rpm | 4580N.m | 2.8 |
RF147減速機配18.5KW電機參數
| 型號 | 功率 | 轉數 | 扭矩 | 安全系數 |
| RF147-Y18.5KW | 18.5kw | 12rpm | 14500N.m | 0.9 |
| RF147-Y18.5KW | 18.5kw | 13rpm | 13200N.m | 1 |
| RF147-Y18.5KW | 18.5kw | 15rpm | 11400N.m | 1.15 |
| RF147-Y18.5KW | 18.5kw | 17rpm | 10100N.m | 1.3 |
| RF147-Y18.5KW | 18.5kw | 20rpm | 8720N.m | 1.5 |
| RF147-Y18.5KW | 18.5kw | 22rpm | 8100N.m | 1.6 |
| RF147-Y18.5KW | 18.5kw | 24rpm | 7390N.m | 1.75 |
| RF147-Y18.5KW | 18.5kw | 28rpm | 6390N.m | 2 |
| RF147-Y18.5KW | 18.5kw | 31rpm | 5640N.m | 2.3 |
| RF147-Y18.5KW | 18.5kw | 36rpm | 4870N.m | 2.7 |
RF147減速機配22KW電機參數
| 型號 | 功率 | 轉數 | 扭矩 | 安全系數 |
| RF147-Y22KW | 22kw | 13rpm | 15700N.m | 0.85 |
| RF147-Y22KW | 22kw | 15rpm | 13600N.m | 0.95 |
| RF147-Y22KW | 22kw | 17rpm | 12000N.m | 1.1 |
| RF147-Y22KW | 22kw | 20rpm | 10300N.m | 1.25 |
| RF147-Y22KW | 22kw | 22rpm | 9630N.m | 1.35 |
| RF147-Y22KW | 22kw | 24rpm | 8790N.m | 1.5 |
| RF147-Y22KW | 22kw | 28rpm | 7600N.m | 1.7 |
| RF147-Y22KW | 22kw | 31rpm | 6710N.m | 1.95 |
| RF147-Y22KW | 22kw | 36rpm | 5790N.m | 2.2 |
| RF147-Y22KW | 22kw | 41rpm | 5120N.m | 2.5 |
| RF147-Y22KW | 22kw | 49rpm | 4300N.m | 3 |
RF147減速機配30KW電機參數
| 型號 | 功率 | 轉數 | 扭矩 | 安全系數 |
| RF147-Y30KW | 30kw | 18rpm | 16200N.m | 0.8 |
| RF147-Y30KW | 30kw | 20rpm | 14000N.m | 0.95 |
| RF147-Y30KW | 30kw | 22rpm | 13000N.m | 1 |
| RF147-Y30KW | 30kw | 24rpm | 11900N.m | 1.1 |
| RF147-Y30KW | 30kw | 28rpm | 10300N.m | 1.25 |
| RF147-Y30KW | 30kw | 32rpm | 9060N.m | 1.45 |
| RF147-Y30KW | 30kw | 37rpm | 7830N.m | 1.65 |
| RF147-Y30KW | 30kw | 41rpm | 6920N.m | 1.9 |
| RF147-Y30KW | 30kw | 49rpm | 5820N.m | 2.2 |
| RF147-Y30KW | 30kw | 61rpm | 4700N.m | 2.5 |
| RF147-Y30KW | 30kw | 72rpm | 3970N.m | 3 |
| RF147-Y30KW | 30kw | 82rpm | 3500N.m | 3 |
| RF147-Y30KW | 30kw | 94rpm | 3040N.m | 4.3 |
RF147減速機配37KW電機參數
| 型號 | 功率 | 轉數 | 扭矩 | 安全系數 |
| RF147-Y37KW | 37kw | 22rpm | 16100N.m | 0.8 |
| RF147-Y37KW | 37kw | 24rpm | 14600N.m | 0.9 |
| RF147-Y37KW | 37kw | 28rpm | 12700N.m | 1 |
| RF147-Y37KW | 37kw | 32rpm | 11200N.m | 1.15 |
| RF147-Y37KW | 37kw | 37rpm | 9680N.m | 1.35 |
| RF147-Y37KW | 37kw | 41rpm | 8560N.m | 1.5 |
| RF147-Y37KW | 37kw | 49rpm | 7190N.m | 1.8 |
| RF147-Y37KW | 37kw | 61rpm | 5810N.m | 2 |
| RF147-Y37KW | 37kw | 72rpm | 4910N.m | 2.4 |
| RF147-Y37KW | 37kw | 82rpm | 4330N.m | 2.4 |
| RF147-Y37KW | 37kw | 94rpm | 3750N.m | 3.5 |
| RF147-Y37KW | 37kw | 106rpm | 3340N.m | 3.8 |
RF147減速機配45KW電機參數
| 型號 | 功率 | 轉數 | 扭矩 | 安全系數 |
| RF147-Y45KW | 45kw | 28rpm | 15300N.m | 0.85 |
| RF147-Y45KW | 45kw | 32rpm | 13500N.m | 0.95 |
| RF147-Y45KW | 45kw | 37rpm | 11600N.m | 1.1 |
| RF147-Y45KW | 45kw | 41rpm | 10300N.m | 1.25 |
| RF147-Y45KW | 45kw | 49rpm | 8690N.m | 1.5 |
| RF147-Y45KW | 45kw | 61rpm | 7020N.m | 1.7 |
| RF147-Y45KW | 45kw | 72rpm | 5930N.m | 2 |
| RF147-Y45KW | 45kw | 82rpm | 5230N.m | 2 |
| RF147-Y45KW | 45kw | 94rpm | 4540N.m | 2.9 |
| RF147-Y45KW | 45kw | 106rpm | 4030N.m | 3.1 |
| RF147-Y45KW | 45kw | 123rpm | 3480N.m | 3.7 |
| RF147-Y45KW | 45kw | 204rpm | 2100N.m | 4.1 |
RF147減速機配55KW電機參數
| 型號 | 功率 | 轉數 | 扭矩 | 安全系數 |
| RF147-Y55KW | 55kw | 32rpm | 16600N.m | 0.8 |
| RF147-Y55KW | 55kw | 37rpm | 14300N.m | 0.9 |
| RF147-Y55KW | 55kw | 41rpm | 12600N.m | 1 |
| RF147-Y55KW | 55kw | 49rpm | 10600N.m | 1.2 |
| RF147-Y55KW | 55kw | 61rpm | 8610N.m | 1.4 |
| RF147-Y55KW | 55kw | 72rpm | 7270N.m | 1.65 |
| RF147-Y55KW | 55kw | 82rpm | 6420N.m | 1.65 |
| RF147-Y55KW | 55kw | 94rpm | 5560N.m | 2.3 |
| RF147-Y55KW | 55kw | 106rpm | 4950N.m | 2.5 |
| RF147-Y55KW | 55kw | 123rpm | 4260N.m | 3 |
| RF147-Y55KW | 55kw | 151rpm | 3460N.m | 3.8 |
| RF147-Y55KW | 55kw | 203rpm | 2580N.m | 3.4 |
| RF147-Y55KW | 55kw | 250rpm | 2090N.m | 4.1 |
RF147減速機配75KW電機參數
| 型號 | 功率 | 轉數 | 扭矩 | 安全系數 |
| RF147-Y75KW | 75kw | 72rpm | 9890N.m | 1.2 |
| RF147-Y75KW | 75kw | 82rpm | 8720N.m | 1.2 |
| RF147-Y75KW | 75kw | 94rpm | 7560N.m | 1.7 |
| RF147-Y75KW | 75kw | 106rpm | 6730N.m | 1.85 |
| RF147-Y75KW | 75kw | 123rpm | 5800N.m | 2.2 |
| RF147-Y75KW | 75kw | 152rpm | 4710N.m | 2.8 |
| RF147-Y75KW | 75kw | 179rpm | 3990N.m | 3.2 |
| RF147-Y75KW | 75kw | 204rpm | 3500N.m | 2.5 |
| RF147-Y75KW | 75kw | 251rpm | 2850N.m | 3 |
| RF147-Y75KW | 75kw | 296rpm | 2410N.m | 3.6 |
RF147減速機配90KW電機參數
| 型號 | 功率 | 轉數 | 扭矩 | 安全系數 |
| RF147-Y90KW | 90kw | 95rpm | 9080N.m | 1.45 |
| RF147-Y90KW | 90kw | 106rpm | 8070N.m | 1.55 |
| RF147-Y90KW | 90kw | 123rpm | 6960N.m | 1.85 |
| RF147-Y90KW | 90kw | 152rpm | 5650N.m | 2.3 |
| RF147-Y90KW | 90kw | 179rpm | 4790N.m | 2.7 |
| RF147-Y90KW | 90kw | 204rpm | 4210N.m | 2.1 |
| RF147-Y90KW | 90kw | 251rpm | 3420N.m | 2.5 |
| RF147-Y90KW | 90kw | 296rpm | 2900N.m | 3 |
RF148減速機生產工廠展示:看廠請聯系微信13827261050,獲取位置,需提前一天預約
推薦類似型號:R148減速機
關鍵詞:GRF系列減速機立式一體式_直線輸出減速機配電機_RF系列減速器_直連電機減速機_直連減速機_直連減速器_直聯減速機_RF系列減速機_RF型減速機_RF齒輪減速馬達
RF系列減速機型號:RF18減速機,RF28減速機,RF38減速機,RF48減速機,RF58減速機,RF68減速機,RF78減速機,RF88減速機,RF98減速機,RF108減速機,RF138減速機,RF148減速機,RF168減速機
RF系列斜齒輪減速機可配變頻電機,剎車電機,防爆電機,伺服電機,交流電機,直流電機,三相電機,單相電機 0.12KW-132KW之間
如需工程師幫選型,請加微信13827261050,留言告知工程師參數要求
標簽:  RF148減速機 RF147立式硬齒面斜齒輪減速機 RF147系列減速機 RF147減速機傳動比 RF147減速機選型參數 RF147減速機CAD三維圖
