RX108減速機詳細信息
RX108減速機
RX108減速機傳動比計算:齒輪減速馬達
傳送設備參數:輪子直徑205,載重19噸,每分鐘走23米
23米÷(0.205輪子直徑X3.14)=35.73轉每分鐘
19噸換算成N=190000N
190000×0.1025輪子半徑×0.06摩擦系數=1168.5N.m
通常確保萬無一失,我們會把輸出扭矩放大兩倍1168.5×2=2337N.m
電機轉數1400÷輸出轉數35.73=39.18比
2337N.m輸出扭矩÷39.18比=59.65N.m電機扭矩
59.65N.m電機扭矩換算成功率9.47KW以上
對應的RX108減速機選型參數:
型號:RX108-BVP11KW
減速比:39.18
輸出轉數:35.73轉每分鐘
輸出扭矩:2600N.m
安全系數:1.30
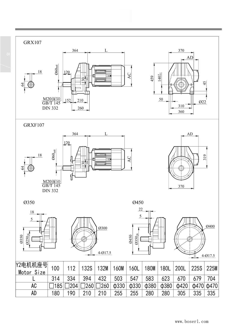
RX108減速機平面圖紙:輸出軸Φ20+鍵2.5(可定做),高134*寬135*長174(帶輸出軸)RX系列減速機

RX108硬齒面斜齒輪減速機型號:

RX107系列減速機參數大全:同軸斜齒輪減速電機
RX107減速機配2.2KW電機參數
| 型號 | 速比 | 功率 | 重量 | 沖擊力 |
| RX107-Y2.2KW | 251.15 | 2.2kw | 180kg | 32100N |
| RX107-Y2.2KW | 229.95 | 2.2kw | 180kg | 33400N |
| RX107-Y2.2KW | 203.16 | 2.2kw | 180kg | 34800N |
| RX107-Y2.2KW | 172.34 | 2.2kw | 180kg | 36000N |
| RX107-Y2.2KW | 158.68 | 2.2kw | 180kg | 36300N |
| RX107-Y2.2KW | 141.83 | 2.2kw | 180kg | 36600N |
| RX107-Y2.2KW | 127.68 | 2.2kw | 180kg | 36900N |
| RX107-Y2.2KW | 115.63 | 2.2kw | 180kg | 37000N |
| RX107-Y2.2KW | 102.53 | 2.2kw | 180kg | 37200N |
| RX107-Y2.2KW | 92.7 | 2.2kw | 180kg | 37300N |
RX107減速機配3KW電機參數
| 型號 | 速比 | 功率 | 重量 | 沖擊力 |
| RX107-Y3KW | 229.95 | 3kw | 185kg | 26500N |
| RX107-Y3KW | 203.16 | 3kw | 185kg | 30200N |
| RX107-Y3KW | 172.34 | 3kw | 185kg | 33100N |
| RX107-Y3KW | 158.68 | 3kw | 185kg | 34100N |
| RX107-Y3KW | 141.83 | 3kw | 185kg | 35200N |
| RX107-Y3KW | 127.68 | 3kw | 185kg | 36000N |
| RX107-Y3KW | 115.63 | 3kw | 185kg | 36300N |
| RX107-Y3KW | 102.53 | 3kw | 185kg | 36700N |
| RX107-Y3KW | 92.7 | 3kw | 185kg | 36900N |
| RX107-Y3KW | 78.57 | 3kw | 185kg | 35900N |
| RX107-Y3KW | 72.88 | 3kw | 185kg | 35200N |
RX107減速機配4KW電機參數
| 型號 | 速比 | 功率 | 重量 | 沖擊力 |
| RX107-Y4KW | 172.34 | 4kw | 195kg | 27800N |
| RX107-Y4KW | 158.68 | 4kw | 195kg | 29900N |
| RX107-Y4KW | 141.83 | 4kw | 195kg | 32000N |
| RX107-Y4KW | 127.68 | 4kw | 195kg | 33600N |
| RX107-Y4KW | 115.63 | 4kw | 195kg | 34700N |
| RX107-Y4KW | 102.53 | 4kw | 195kg | 35800N |
| RX107-Y4KW | 92.7 | 4kw | 195kg | 36200N |
| RX107-Y4KW | 78.57 | 4kw | 195kg | 34800N |
| RX107-Y4KW | 72.88 | 4kw | 195kg | 34100N |
| RX107-Y4KW | 65.6 | 4kw | 195kg | 33100N |
| RX107-Y4KW | 59.41 | 4kw | 195kg | 32200N |
| RX107-Y4KW | 52.68 | 4kw | 195kg | 31200N |
RX107減速機配5.5KW電機參數
| 型號 | 速比 | 功率 | 重量 | 沖擊力 |
| RX107-Y5.5KW | 127.68 | 5.5kw | 200kg | 27500N |
| RX107-Y5.5KW | 115.63 | 5.5kw | 200kg | 30000N |
| RX107-Y5.5KW | 102.53 | 5.5kw | 200kg | 32200N |
| RX107-Y5.5KW | 92.7 | 5.5kw | 200kg | 33700N |
| RX107-Y5.5KW | 78.57 | 5.5kw | 200kg | 33400N |
| RX107-Y5.5KW | 72.88 | 5.5kw | 200kg | 32800N |
| RX107-Y5.5KW | 65.6 | 5.5kw | 200kg | 32000N |
| RX107-Y5.5KW | 59.41 | 5.5kw | 200kg | 31200N |
| RX107-Y5.5KW | 52.68 | 5.5kw | 200kg | 30200N |
| RX107-Y5.5KW | 47.63 | 5.5kw | 200kg | 29400N |
| RX107-Y5.5KW | 40.37 | 5.5kw | 200kg | 28200N |
RX107減速機配7.5KW電機參數
| 型號 | 速比 | 功率 | 重量 | 沖擊力 |
| RX107-Y7.5KW | 92.7 | 7.5kw | 215kg | 27800N |
| RX107-Y7.5KW | 78.57 | 7.5kw | 215kg | 31500N |
| RX107-Y7.5KW | 72.88 | 7.5kw | 215kg | 31200N |
| RX107-Y7.5KW | 65.6 | 7.5kw | 215kg | 30600N |
| RX107-Y7.5KW | 59.41 | 7.5kw | 215kg | 29900N |
| RX107-Y7.5KW | 52.68 | 7.5kw | 215kg | 29100N |
| RX107-Y7.5KW | 47.63 | 7.5kw | 215kg | 28400N |
| RX107-Y7.5KW | 40.37 | 7.5kw | 215kg | 27300N |
| RX107-Y7.5KW | 35.26 | 7.5kw | 215kg | 26300N |
| RX107-Y7.5KW | 29.44 | 7.5kw | 215kg | 25100N |
| RX107-Y7.5KW | 30.77 | 7.5kw | 215kg | 25400N |
| RX107-Y7.5KW | 27.58 | 7.5kw | 215kg | 24700N |
| RX107-Y7.5KW | 24.9 | 7.5kw | 215kg | 24000N |
| RX107-Y7.5KW | 22.62 | 7.5kw | 215kg | 23400N |
RX107減速機配11KW電機參數
| 型號 | 速比 | 功率 | 重量 | 沖擊力 |
| RX107-Y11KW | 65.6 | 11kw | 235kg | 26000N |
| RX107-Y11KW | 59.41 | 11kw | 235kg | 27600N |
| RX107-Y11KW | 52.68 | 11kw | 235kg | 27000N |
| RX107-Y11KW | 47.63 | 11kw | 235kg | 26500N |
| RX107-Y11KW | 40.37 | 11kw | 235kg | 25700N |
| RX107-Y11KW | 35.26 | 11kw | 235kg | 24900N |
| RX107-Y11KW | 29.44 | 11kw | 235kg | 23900N |
| RX107-Y11KW | 30.77 | 11kw | 235kg | 24200N |
| RX107-Y11KW | 27.58 | 11kw | 235kg | 23600N |
| RX107-Y11KW | 24.9 | 11kw | 235kg | 23000N |
| RX107-Y11KW | 22.62 | 11kw | 235kg | 22400N |
| RX107-Y11KW | 20.07 | 11kw | 235kg | 21700N |
| RX107-Y11KW | 18.21 | 11kw | 235kg | 21200N |
RX107減速機配15KW電機參數
| 型號 | 速比 | 功率 | 重量 | 沖擊力 |
| RX107-Y15KW | 47.63 | 15kw | 270kg | 24500N |
| RX107-Y15KW | 40.37 | 15kw | 270kg | 23900N |
| RX107-Y15KW | 35.26 | 15kw | 270kg | 23400N |
| RX107-Y15KW | 29.49 | 15kw | 270kg | 22600N |
| RX107-Y15KW | 30.77 | 15kw | 270kg | 22800N |
| RX107-Y15KW | 27.58 | 15kw | 270kg | 22300N |
| RX107-Y15KW | 24.9 | 15kw | 270kg | 21900N |
| RX107-Y15KW | 22.62 | 15kw | 270kg | 21400N |
| RX107-Y15KW | 20.07 | 15kw | 270kg | 20900N |
| RX107-Y15KW | 18.21 | 15kw | 270kg | 20400N |
| RX107-Y15KW | 15.65 | 15kw | 270kg | 19700N |
| RX107-Y15KW | 13.66 | 15kw | 270kg | 19000N |
RX107減速機配18.5KW電機參數
| 型號 | 速比 | 功率 | 重量 | 沖擊力 |
| RX107-Y18.5KW | 40.37 | 18.5kw | 285kg | 19400N |
| RX107-Y18.5KW | 35.26 | 18.5kw | 285kg | 22100N |
| RX107-Y18.5KW | 29.49 | 18.5kw | 285kg | 21500N |
| RX107-Y18.5KW | 24.9 | 18.5kw | 285kg | 20900N |
| RX107-Y18.5KW | 22.62 | 18.5kw | 285kg | 20600N |
| RX107-Y18.5KW | 20.07 | 18.5kw | 285kg | 20100N |
| RX107-Y18.5KW | 18.21 | 18.5kw | 285kg | 19700N |
| RX107-Y18.5KW | 15.65 | 18.5kw | 285kg | 19100N |
| RX107-Y18.5KW | 13.66 | 18.5kw | 285kg | 18500N |
| RX107-Y18.5KW | 11.59 | 18.5kw | 285kg | 17800N |
| RX107-Y18.5KW | 10.13 | 18.5kw | 285kg | 17200N |
| RX107-Y18.5KW | 7.86 | 18.5kw | 285kg | 16300N |
| RX107-Y18.5KW | 6.66 | 18.5kw | 285kg | 15600N |
RX107減速機配22KW電機參數
| 型號 | 速比 | 功率 | 重量 | 沖擊力 |
| RX107-Y22KW | 35.26 | 22kw | 305kg | 4470N |
| RX107-Y22KW | 29.49 | 22kw | 305kg | 20400N |
| RX107-Y22KW | 24.9 | 22kw | 305kg | 20000N |
| RX107-Y22KW | 22.62 | 22kw | 305kg | 19700N |
| RX107-Y22KW | 20.07 | 22kw | 305kg | 19400N |
| RX107-Y22KW | 18.21 | 22kw | 305kg | 19000N |
| RX107-Y22KW | 15.65 | 22kw | 305kg | 18500N |
| RX107-Y22KW | 13.66 | 22kw | 305kg | 18000N |
| RX107-Y22KW | 11.59 | 22kw | 305kg | 17300N |
| RX107-Y22KW | 10.13 | 22kw | 305kg | 16800N |
| RX107-Y22KW | 8.56 | 22kw | 305kg | 16100N |
| RX107-Y22KW | 7.86 | 22kw | 305kg | 16100N |
| RX107-Y22KW | 6.66 | 22kw | 305kg | 15400N |
| RX107-Y22KW | 5.82 | 22kw | 305kg | 14800N |
RX107減速機配30KW電機參數
| 型號 | 速比 | 功率 | 重量 | 沖擊力 |
| RX107-Y30KW | 20.07 | 30kw | 400kg | 17600N |
| RX107-Y30KW | 18.21 | 30kw | 400kg | 17400N |
| RX107-Y30KW | 15.65 | 30kw | 400kg | 17100N |
| RX107-Y30KW | 13.66 | 30kw | 400kg | 16800N |
| RX107-Y30KW | 11.59 | 30kw | 400kg | 16300N |
| RX107-Y30KW | 10.13 | 30kw | 400kg | 15900N |
| RX107-Y30KW | 8.56 | 30kw | 400kg | 15400N |
| RX107-Y30KW | 7.86 | 30kw | 400kg | 15500N |
| RX107-Y30KW | 6.66 | 30kw | 400kg | 14900N |
| RX107-Y30KW | 5.82 | 30kw | 400kg | 14400N |
| RX107-Y30KW | 4.92 | 30kw | 400kg | 13700N |
RX107減速機配37KW電機參數
| 型號 | 速比 | 功率 | 重量 | 沖擊力 |
| RX107-Y37KW | 15.65 | 45kw | 450kg | 14600N |
| RX107-Y37KW | 13.66 | 45kw | 450kg | 14600N |
| RX107-Y37KW | 11.59 | 45kw | 450kg | 14400N |
| RX107-Y37KW | 10.13 | 45kw | 450kg | 14300N |
| RX107-Y37KW | 8.56 | 45kw | 450kg | 14000N |
| RX107-Y37KW | 7.86 | 45kw | 450kg | 14400N |
| RX107-Y37KW | 6.66 | 45kw | 450kg | 13900N |
| RX107-Y37KW | 5.82 | 45kw | 450kg | 13600N |
| RX107-Y37KW | 4.92 | 45kw | 450kg | 13000N |
RX107減速機配45KW電機參數
| 型號 | 速比 | 功率 | 重量 | 沖擊力 |
| RX107-Y45KW | 15.65 | 45kw | 450kg | 14600N |
| RX107-Y45KW | 13.66 | 45kw | 450kg | 14600N |
| RX107-Y45KW | 11.59 | 45kw | 450kg | 14400N |
| RX107-Y45KW | 10.13 | 45kw | 450kg | 14300N |
| RX107-Y45KW | 8.56 | 45kw | 450kg | 14000N |
| RX107-Y45KW | 7.86 | 45kw | 450kg | 14400N |
| RX107-Y45KW | 6.66 | 45kw | 450kg | 13900N |
| RX107-Y45KW | 5.82 | 45kw | 450kg | 13600N |
| RX107-Y45KW | 4.92 | 45kw | 450kg | 13000N |
RX108減速機生產工廠展示:看廠請聯系微信13827261050,獲取位置,需提前一天預約
推薦類似型號:R108減速機
關鍵詞:GRX系列減速機一體式_RX系列減速器_減速器電機一體式_減速機馬達一體式_RX系列減速機_RX型減速機_電機減速機一體式_GRX系列減速機_減速機電機一體式
RX系列斜齒輪減速機型號:RX58減速機,RX68減速機,RX78減速機,RX88減速機,RX98減速機,RX108減速機
RX系列齒輪減速馬達可配變頻電機,剎車電機,防爆電機,伺服電機,交流電機,直流電機,三相電機,單相電機 0.12KW-45KW之間
如需工程師幫選型,請加微信13827261050,留言告知工程師參數要求
標簽:  RX108減速機 RX107硬齒面斜齒輪減速機 RX107系列減速機 RX107減速機傳動比 RX107減速機選型參數 RX107減速機CAD三維圖
